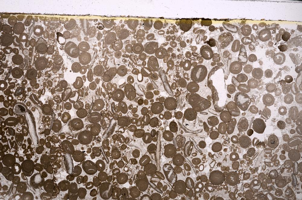
BGS mineralogy and petrology collection record

Sample number E46721; COLLNOKS1216;
Sample Donor Siddiqui,K.S.
Rock name 'Original entry: Limestone'
Stratigraphy Not entered
Comments Corallian Lst. U.Jurassic
Locality details Bellmanear Fm. BH. 0.8 Km 50 deg NW of Grimston House. North Grimsby
50k map sheet York (63)

View images in GeoScenic related to 'York'

View the geology near 'York'

Map reference SE 8371 6830
Year collected Not entered 
Bore name Not applicable
Confidentiality No restrictions

Petrological thin sections

Links to high resolution images

Transition from XPL to PPL light


E46721

Cross Polarized, E46721

Plane Polarized, E46721

Plane Polarized, E46721