BGS mineralogy and petrology collection record

Sample number E46735; COLLNOKS1230;
Sample Donor Siddiqui,K.S.
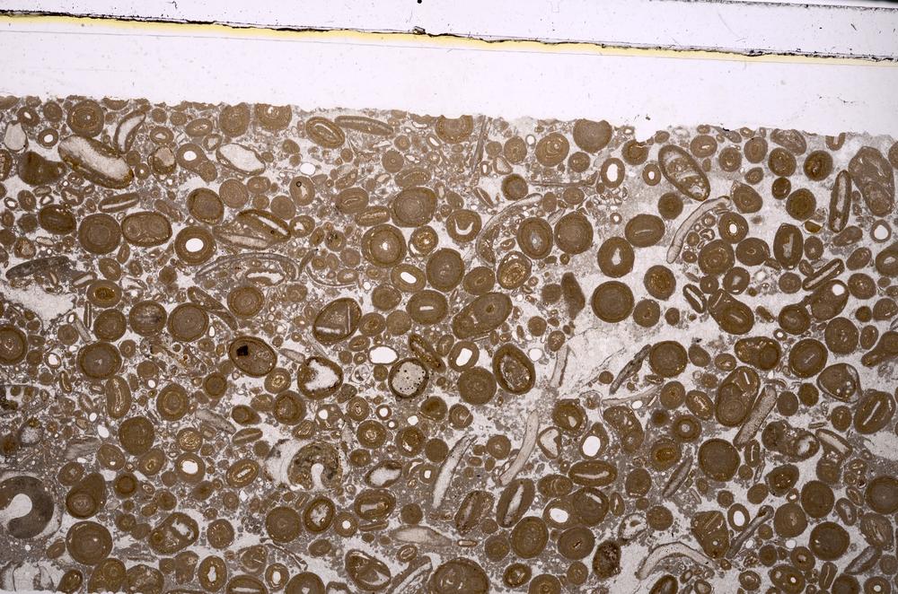
Rock name 'Original entry: Limestone'
Stratigraphy Not entered
Comments Corallian Lst. U.Jurassic
Locality details Bellmanear Fm. BH. 0.8 Km 50 deg NW of Grimston House. North Grimsby
50k map sheet York (63)

View images in GeoScenic related to 'York'

View the geology near 'York'

Map reference SE 8371 6830
Year collected Not entered 
Bore name Not applicable
Confidentiality No restrictions

Petrological thin sections

Links to high resolution images

Transition from XPL to PPL light


E46735

Cross Polarized, E46735

Plane Polarized, E46735

Plane Polarized, E46735