BGS mineralogy and petrology collection record

Sample number S99512; COLLNOHFB96;
Sample Donor Barron, H.F
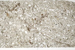
Rock name 'Original entry: Sandstone'
Stratigraphy Not entered
Comments Sandstone, grey, medium-coarse
Locality details Chanlockburn, 50m upstream from confluence with Fingland Burn
50k map sheet New Cumnock (15W)

View images in GeoScenic related to 'New Cumnock'

View the geology near 'New Cumnock'

Map reference NS 7255 0133
Year collected 1996 
Bore name Not applicable
Confidentiality No restrictions

Petrological thin sections

Links to high resolution images

Transition from XPL to PPL light


S99512

Cross Polarized, S99512

Plane Polarized, S99512

Plane Polarized, S99512