BGS mineralogy and petrology collection record

Sample number E27795; COLLNOKY472;
Sample Donor Kellaway,G.A.
Rock name Not entered
Stratigraphy Not entered
Comments Bryozoa bed, Carb. lmst. series
Locality details Avon Gorge Rt (E.) bank, section below Rly. and along side Portway, 150 yds W. of western mouth of Clifton Down Tunnel, 830 yds SSW of Sneed Pk. church
50k map sheet Bristol (264)

View images in GeoScenic related to 'Bristol'

View the geology near 'Bristol'

Map reference ST 557 747
Year collected Not entered 
Bore name Not applicable
Confidentiality No restrictions

Petrological thin sections

Links to high resolution images

Transition from XPL to PPL light


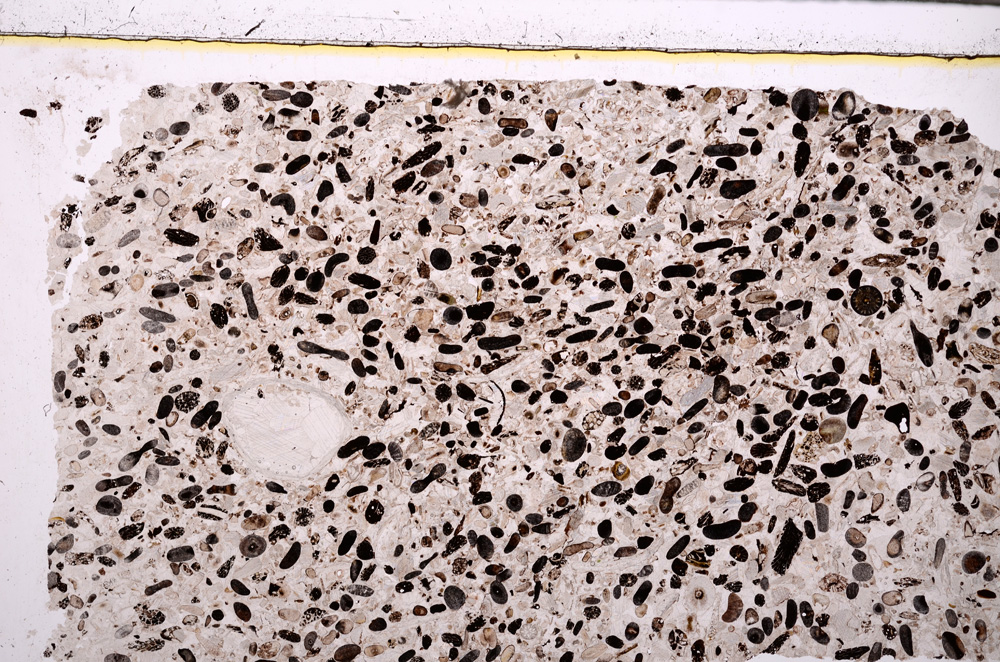
E27795

Cross Polarized, E27795

Plane Polarized, E27795

Plane Polarized, E27795