BGS mineralogy and petrology collection record

Sample number E18869; COLLNOWNE378;
Sample Donor Edwards,W.N.
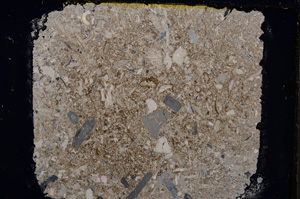
Rock name 'Original entry: Crinoid Limestone Partially Silicified'
Stratigraphy Not entered
Comments CARB. LST DENSE LST W VEIN
Locality details KIVETON No 1 (OIL) BORING 1/2 M W OF CHURCH TODWICK 4612 -17
50k map sheet Sheffield (100)

View images in GeoScenic related to 'Sheffield'

View the geology near 'Sheffield'

Map reference SK 48979 84136
Year collected Not entered 
Bore name Kiveton Park 1
Confidentiality No restrictions

Petrological thin sections

Links to high resolution images

Transition from XPL to PPL light


E18869

Cross Polarized, E18869

Plane Polarized, E18869

Plane Polarized, E18869