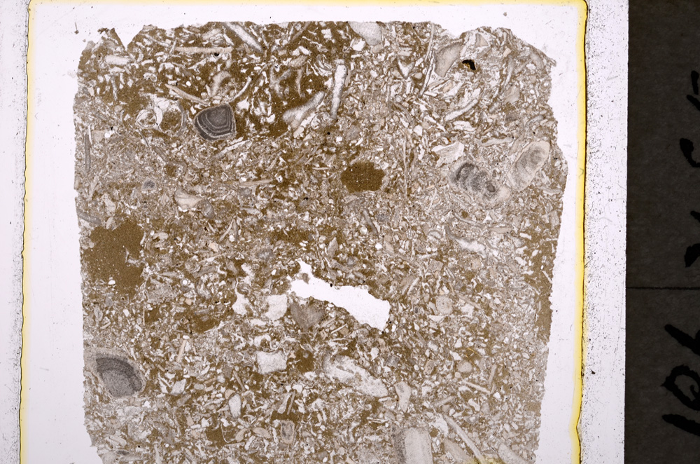
BGS mineralogy and petrology collection record

Sample number E19606; COLLNOS.E.H.723;
Sample Donor Hollingworth,S.E.
Rock name 'Original entry: Shelly Crimoidal Siderite Limestone W. Phosphate Pebbles'
Stratigraphy Not entered
Comments N.S.I. MEMOIR P.28 LST. WITH BLACK PELLETS AT TOP OF IRONSTONE
Locality details LODDINGTON IRONSTONE CO. ORTON QY. 470Y. S.S.W. OF ORTON CHURCH, 4M .W.OF KETTERING
50k map sheet Wellingborough (186)

View images in GeoScenic related to 'Wellingborough'

View the geology near 'Wellingborough'

Map reference SP 804 789
Year collected Not entered 
Bore name Not applicable
Confidentiality No restrictions

Petrological thin sections

Links to high resolution images

Transition from XPL to PPL light


E19606

Cross Polarized, E19606

Plane Polarized, E19606

Plane Polarized, E19606