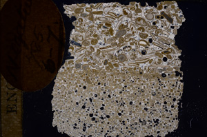
BGS mineralogy and petrology collection record

Sample number E8355; COLLNO832; NEG785-6X7M ;
Sample Donor Not entered
Rock name 'Original entry: Great Oolite-Bath Oolite [Limestone]'
Stratigraphy Not entered
Comments From ECON collection see building stone exibit, case 3 Bradford Stone-presented by The Bath Stone Co Ltd in about 1910
Locality details Bradford On Avon
50k map sheet Frome (281)

View images in GeoScenic related to 'Frome'

View the geology near 'Frome'

Map reference ST 82 61
Year collected Not entered 
Bore name Not applicable
Confidentiality No restrictions

Petrological thin sections

Links to high resolution images

Transition from XPL to PPL light


E8355

Cross Polarized, E8355

Plane Polarized, E8355

Plane Polarized, E8355