BGS mineralogy and petrology collection record

Sample number S84081
Sample Donor Flinn, Prof. Derek. (Liverpool University)
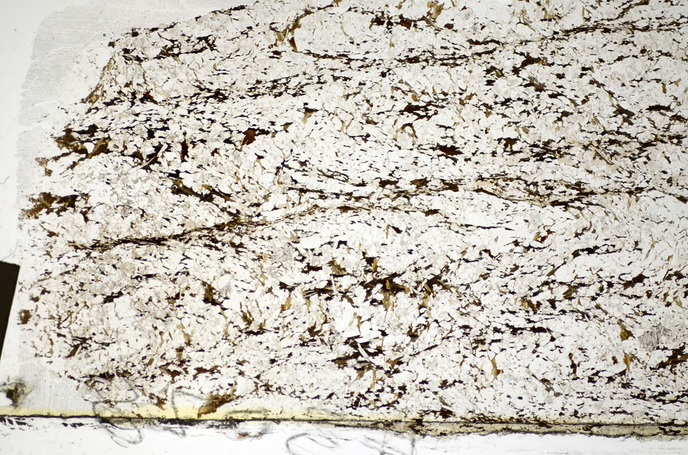
Rock name 'Original entry: Semi Pelite'
Stratigraphy Not entered
Comments Semi Pelite
Locality details Lamba
50k map sheet Yell (130)

View images in GeoScenic related to 'Yell'

View the geology near 'Yell'

Map reference HU 388 818
Year collected Not entered 
Bore name Not applicable
Confidentiality No restrictions

Petrological thin sections

Links to high resolution images

Transition from XPL to PPL light


S84081

Cross Polarized, S84081

Plane Polarized, S84081

Plane Polarized, S84081